Brand New High Power 450nm 164W Blue Laser Array NUBM3L for Stage Lighting
Introducing the Nichia High-Power Blue Laser Diode Array – a brand-new LD chip package engineered for industrial-grade performance, boasting a 455nm wavelength and an impressive 164W total output power. Crafted by Nichia, a globally trusted leader in laser component manufacturing renowned for precision and reliability, this array stands out as a top-tier solution for high-demand laser applications.
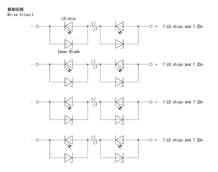
At its core, the array integrates 28 high-performance 6W blue laser diode chips, each optimized for exceptional electro-optical conversion efficiency and long operational lifespan – a key advantage for continuous-duty industrial and professional use. Complementing the chips is a precision-machined front collimating lens (optical grade glass material), which delivers superior beam collimation with a low divergence angle (<1.5 degrees), ensuring consistent energy distribution across all output beams. The result is 28 tightly collimated laser beams arranged in a flexible 7-series × 4-parallel array – a configuration designed to adapt seamlessly to various equipment integration requirements, from compact projectors to heavy-duty industrial machinery.
Key Applications
This versatile laser diode array excels across multiple high-value applications:
- Laser Projectors & Stage Shows: Delivers vibrant, high-brightness blue light with stable output, perfect for large-venue projections, immersive multimedia installations, and dynamic stage performances.
- Industrial Laser Engraving: Provides concentrated energy for precise, fast engraving on materials like metal, plastic, wood, and acrylic – ideal for batch production and high-precision customization.
- Precision Laser Soldering: Offers controlled heat input and uniform beam profile, enabling reliable soldering of micro-components in electronics manufacturing (e.g., circuit boards, sensors) with minimal thermal damage.
- Additional Use Cases: Also suitable for laser cutting (thin materials), scientific research, and medical device integration (where high power and stability are critical).
Core Specification:
| Wavelength | 455nm |
| Output Power | 164W |
| Working Voltage | 110V |
| Package | Butterfly Laser Array |
| Condition | Original package and brand new |
| Lifespan | > 10,000 hours |



Our Services:
BU-LASER has other Laser diodes from 375nm to 1064nm as below, and also offers professional OEM@ODM service for laser modules !
| Color | Wavelength | Power Range | Package |
| UV | 375nm | 500mW | TO5-9mm |
| UV | 380nm | 200mW | TO18-5.6mm |
| Violet | 395nm | 300mW | TO18-5.6mm |
| Violet | 405nm | 20mW-3W | TO18-5.6mm /TO5-9mm |
| Blue | 425nm | 1.5W | TO18-5.6mm |
| Blue | 435nm | 5W-7W | TO5-9mm |
| Blue | 450nm/455nm | 80mW -5.5W | TO18-5.6mm /TO5-9mm |
| Blue | 462nm/ 465nm | 1.4W- 2.8W | TO5-9mm |
| Cyan | 488nm | 55mW-300mW | TO18-5.6mm |
| Green | 515nm/520nm | 10mW-1.6W | TO18-3.8mm/TO18-5.6mm/TO5-9mm /Frame |
| Red | 635nm/638nm/642nm | 5mW-2.5W | TO18-3.8mm/TO18-5.6mm/TO5-9mm |
| Red | 650nm /658nm/660nm | 5mW-1W | TO18-3.3mm/TO18-3.8mm/TO18-5.6mm/C-mounted / Frame |
| Red | 670nm | 5mW | TO18-5.6mm |
| Infrared | 780nm/785nm | 5mW-200mW | TO18-5.6mm |
| Infrared | 808nm | 200mW-5W | TO18-5.6mm/TO5-9mm/C-mounted |
| Infrared | 830nm | 30mW-300mW | TO18-5.6mm |
| Infrared | 850nm | 5mW-2W | TO18-5.6mm |
| Infrared | 905nm | 15W-75W | TO18-5.6mm |
| Infrared | 940nm | 250mW | TO18-5.6mm |
| Infrared | 980nm | 50mW-1W | TO18-5.6mm/TO5-9mm |
| Infrared | 1064nm | 50mW | TO18-5.6mm |


Reviews
There are no reviews yet.