GH0637AA2G Sharp 638nm 700mW Red Laser Diode
The SHARP GH0637AA2G stands as a high-performance 638nm laser diode, engineered to deliver reliable, high-intensity visible light for professional optical applications. Operating in continuous-wave (CW) mode, it outputs up to 700mW of optical power (adjusted to 500mW at case temperatures above 30°C), making it a robust light source for equipment like laser displays, optical tools, and industrial systems.
Built with SHARP’s precision engineering, this diode balances power and efficiency: it reaches a threshold current of 120mA (typical) and runs at a nominal 910mA operating current (at 700mW output), paired with a 2.38V (typical) operating voltage — minimizing power draw while maintaining consistent output. Its lasing wavelength centers at 638nm (ranging 635–642nm), ensuring bright, targeted red light emission.
In terms of beam performance, it features a half-intensity angle of 16° (typical, parallel to the junction) and 35° (typical, perpendicular), offering flexible beam shaping for both focused and wide-area illumination. The compact, durable package supports easy integration into space-constrained designs, while its operational specifications (including a -10 to +40°C case temperature range) ensure reliability in varied environments.
For practical use, the GH0637AA2G handles a maximum current of 1A and a reverse voltage of 2V, with a storage temperature range of -40 to +85°C — making it resilient for long-term deployment. Note that proper heat dissipation is recommended to maintain full 700mW output at higher case temperatures.
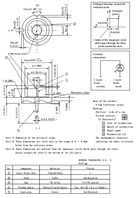
Core Specification:
| Wavelength | 638nm |
| Output Power | 700mW |
| Working Voltage | 2.46V |
| Package | TO18 5.6mm |
| Condition | Original package and brand new |
| Lifespan | > 10,000 hours |

BU-LASER has other Laser diodes from 375nm to 1064nm:
| Color | Wavelength | Power Range | Package |
| UV | 375nm | 500mW | TO5-9mm |
| UV | 380nm | 200mW | TO18-5.6mm |
| Violet | 395nm | 300mW | TO18-5.6mm |
| Violet | 405nm | 20mW-3W | TO18-5.6mm /TO5-9mm |
| Blue | 425nm | 1.5W | TO18-5.6mm |
| Blue | 435nm | 5W-7W | TO5-9mm |
| Blue | 450nm/455nm | 80mW -5.5W | TO18-5.6mm /TO5-9mm |
| Blue | 462nm/ 465nm | 1.4W- 2.8W | TO5-9mm |
| Cyan | 488nm | 55mW-300mW | TO18-5.6mm |
| Green | 515nm/520nm | 10mW-1.6W | TO18-3.8mm/TO18-5.6mm/TO5-9mm /Frame |
| Red | 635nm/638nm/642nm | 5mW-2.5W | TO18-3.8mm/TO18-5.6mm/TO5-9mm |
| Red | 650nm /658nm/660nm | 5mW-1W | TO18-3.3mm/TO18-3.8mm/TO18-5.6mm/C-mounted / Frame |
| Red | 670nm | 5mW | TO18-5.6mm |
| Infrared | 780nm/785nm | 5mW-200mW | TO18-5.6mm |
| Infrared | 808nm | 200mW-5W | TO18-5.6mm/TO5-9mm/C-mounted |
| Infrared | 830nm | 30mW-300mW | TO18-5.6mm |
| Infrared | 850nm | 5mW-2W | TO18-5.6mm |
| Infrared | 905nm | 15W-75W | TO18-5.6mm |
| Infrared | 940nm | 250mW | TO18-5.6mm |
| Infrared | 980nm | 50mW-1W | TO18-5.6mm/TO5-9mm |
| Infrared | 1064nm | 50mW | TO18-5.6mm |






Reviews
There are no reviews yet.