650nm 200mW Uniform One Line Laser Module for Machine Vision /3D Scanning
This 650nm uniform one line laser module functions as a dual-purpose component: it acts as a high-precision machine vision positioning laser and a reliable 3D camera scanning line laser, designed specifically for industrial automation and visual inspection scenarios.
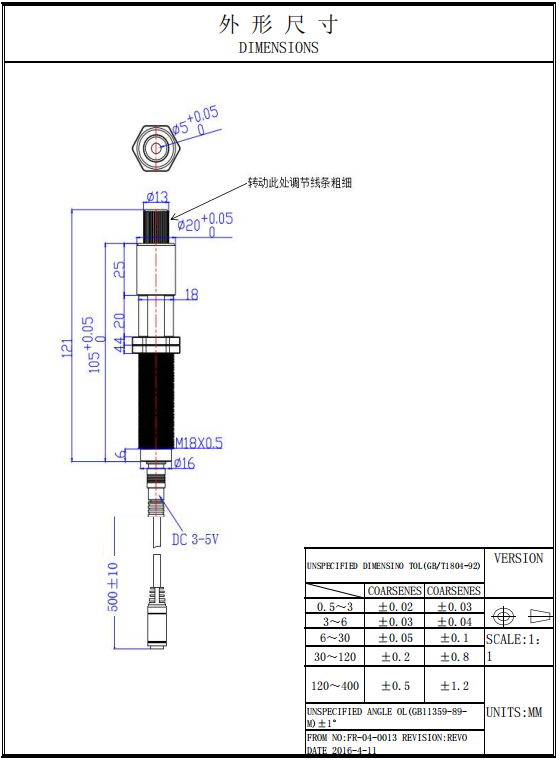
The module showcases an ultra-compact form factor with dimensions of 20x121mm, making it ideal for integration into space-constrained equipment or tight installation environments. At its optical core, it employs a premium 110-degree glass lens—this lens ensures uniform light distribution along the laser line, delivering sharp, high-contrast scanning results for accurate target detection and positioning.
The laser module operates within a flexible working voltage range of 3-5V, compatible with various power supply systems commonly used in industrial electronics. It allowing users to precisely adjust the laser’s output intensity and performance according to specific application requirements.

Core Specification
| Wavelength | 650nm |
| Output Power | 200mW |
| Working Voltage | 3.5V |
| Beam Mode | one line |
| Line Width | Adjustable |
| Housing Size | 20x121mm ( Customizable) |
| Lens | Glass |
| Working Time | 10000H |
Product Display

Our services
We have over 15 years ofexperience with Lasers. We offer professional 0EM& ODM service for laser modules from 375nm to 1o64nm!
| Item | Parameter | ||||
| Wavelength | 375-405nm | 425-488nm | 515-52onm | 635-67onm | 780-98onm |
| Single Diode Module Optical Power | 2omW-3W | 55mW-6W | 10mW-1.6W | 5mW-2.5W | 5mW-75W |
| Multi Diodes Module Optical Power | 3W-2o0W | 6W-5O0W | 1.6W-5OW | 2.5W-3oW | 75W-100W |
| Operating Voltage | 3-5V/6V/12V/24V/3oV/11oV/22oV/z4oV etc. | ||||
| Beam Mode | Dot/Line/ Cross/Grid/ Muti-lines/ DOE etc. | ||||
| Fan Angle Options of the Line Beam | 5°/10°/15°/20°/25°/30°/45°/60°/90°/110°/130°/180° etc. | ||||
| Optical Lens | Acrvliclenses, glass lenses, wave lenses, Powelllenses etc. | ||||
| Dimension | 4*8mm/6*10.5mm7*15mm/9*21mm/16*66mm/33*33*55mm/ Customizable etc. | ||||
| CDRH Class | class1/class2/class3A/class3B/class4 | ||||





Reviews
There are no reviews yet.