ROHM 940nm 220mW Invisible Single Mode Laser Diode
The ROHM RLD94NZJ7 is a high-precision 940nm 220mW continuous-wave (CW) laser diode, designed as a reliable light source for sensor applications. Built with a double-hetero structure, it operates as a single-mode invisible laser — paired with a built-in PIN photodiode (PD) for real-time power monitoring, simplifying integration into precision sensor setups.
Operating at a typical 942nm wavelength (ranging 932–952nm), it delivers a steady 220mW CW output, supported by efficient performance metrics: a 50mA typical threshold current, 270mA typical operating current (at 200mW output), and 2.4V typical operating voltage. Its 0.9W/A output efficiency optimizes energy conversion, while the built-in PD provides a 1.0mA typical monitor current (at 200mW output) for precise performance tracking.
In terms of beam performance, it offers tight beam divergence (9.5° parallel, 17° perpendicular typical) and minimal beam tolerance (±3° parallel, ±4° perpendicular), ensuring focused, consistent light delivery. Housed in a compact package, it functions reliably across a -10 to +60°C operating temperature range and withstands -40 to +85°C during storage, with a 2V reverse voltage rating (20V for the PIN PD).
Whether powering precision sensors or industrial optical modules, this 940nm 220mW laser diode combines ROHM’s double-hetero engineering, built-in monitoring, and stable single-mode emission to meet the demands of high-precision optoelectronic applications.
Core Specification:
| Wavelength | 940nm |
| Output Power | 220mW |
| Working Voltage | 2.4V |
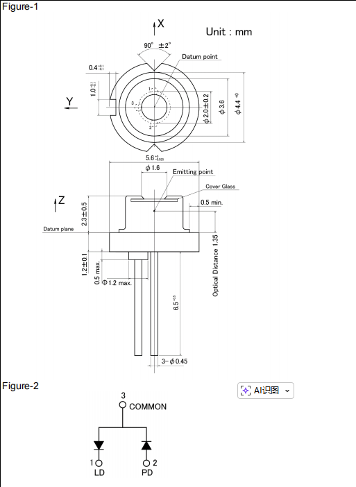
| Package | TO18 5.6mm |
| Condition | Original package and brand new |
| Lifespan | > 10,000 hours |

BU-LASER has other Laser diodes from 375nm to 1064nm:
| Color | Wavelength | Power Range | Package |
| UV | 375nm | 500mW | TO5-9mm |
| UV | 380nm | 200mW | TO18-5.6mm |
| Violet | 395nm | 300mW | TO18-5.6mm |
| Violet | 405nm | 20mW-3W | TO18-5.6mm /TO5-9mm |
| Blue | 425nm | 1.5W | TO18-5.6mm |
| Blue | 435nm | 5W-7W | TO5-9mm |
| Blue | 450nm/455nm | 80mW -5.5W | TO18-5.6mm /TO5-9mm |
| Blue | 462nm/ 465nm | 1.4W- 2.8W | TO5-9mm |
| Cyan | 488nm | 55mW-300mW | TO18-5.6mm |
| Green | 515nm/520nm | 10mW-1.6W | TO18-3.8mm/TO18-5.6mm/TO5-9mm /Frame |
| Red | 635nm/638nm/642nm | 5mW-2.5W | TO18-3.8mm/TO18-5.6mm/TO5-9mm |
| Red | 650nm /658nm/660nm | 5mW-1W | TO18-3.3mm/TO18-3.8mm/TO18-5.6mm/C-mounted / Frame |
| Red | 670nm | 5mW | TO18-5.6mm |
| Infrared | 780nm/785nm | 5mW-200mW | TO18-5.6mm |
| Infrared | 808nm | 200mW-5W | TO18-5.6mm/TO5-9mm/C-mounted |
| Infrared | 830nm | 30mW-300mW | TO18-5.6mm |
| Infrared | 850nm | 5mW-2W | TO18-5.6mm |
| Infrared | 905nm | 15W-75W | TO18-5.6mm |
| Infrared | 940nm | 250mW | TO18-5.6mm |
| Infrared | 980nm | 50mW-1W | TO18-5.6mm/TO5-9mm |
| Infrared | 1064nm | 50mW | TO18-5.6mm |








Reviews
There are no reviews yet.