Sharp GH05C01B9G TO9 Packaged 520nm 1W Laser Diode
This high-performance green laser diode from Sharp delivers a robust 1W optical output (CW) at 520nm, making it ideal for industrial sensing, projection systems, and precision alignment applications. Its 520nm wavelength (range: 510–530nm) ensures bright, consistent green emission for professional use cases.
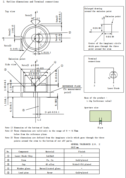
- Electrical Performance: Operates at a typical 5.4V (max 6.5V) with a threshold current of 0.18A (max 0.30A); supports a maximum operating current of 1.8A, balancing power and stability.
- Optical Characteristics: Features a typical 9° parallel beam divergence angle and 44° perpendicular angle (at 1W output), enabling controlled, focused beam propagation. It also offers a high differential efficiency of 0.8W/A (min 0.45W/A) for efficient energy conversion.
- Durability & Integration: Withstands reverse voltages up to 2V, and operates reliably in case temperatures of 0–60°C (storage temp: -40–85°C). Soldering is simplified via a 350°C iron tip (1.6mm from case bottom, ≤3s immersion) for secure, damage-free assembly.
Built to Sharp’s rigorous quality standards, this diode combines high power, precise emission, and robust operating limits—perfect for demanding industrial and professional applications requiring stable green laser performance.
Core Specification:
| Wavelength |
520nm |
| Output Power |
1W |
| Working Voltage |
5.4V |
| Package |
TO5 9mm |
| Condition |
Original package and brand new |
| Lifespan |
> 10,000 hours |

BU-LASER has other Laser diodes from 375nm to 1064nm:
| Color |
Wavelength |
Power Range |
Package |
| UV |
375nm |
500mW |
TO5-9mm |
| UV |
380nm |
200mW |
TO18-5.6mm |
| Violet |
395nm |
300mW |
TO18-5.6mm |
| Violet |
405nm |
20mW-3W |
TO18-5.6mm /TO5-9mm |
| Blue |
425nm |
1.5W |
TO18-5.6mm |
| Blue |
435nm |
5W-7W |
TO5-9mm |
| Blue |
450nm/455nm |
80mW -5.5W |
TO18-5.6mm /TO5-9mm |
| Blue |
462nm/ 465nm |
1.4W- 2.8W |
TO5-9mm |
| Cyan |
488nm |
55mW-300mW |
TO18-5.6mm |
| Green |
515nm/520nm |
10mW-1.6W |
TO18-3.8mm/TO18-5.6mm/TO5-9mm /Frame |
| Red |
635nm/638nm/642nm |
5mW-2.5W |
TO18-3.8mm/TO18-5.6mm/TO5-9mm |
| Red |
650nm /658nm/660nm |
5mW-1W |
TO18-3.3mm/TO18-3.8mm/TO18-5.6mm/C-mounted / Frame |
| Red |
670nm |
5mW |
TO18-5.6mm |
| Infrared |
780nm/785nm |
5mW-200mW |
TO18-5.6mm |
| Infrared |
808nm |
200mW-5W |
TO18-5.6mm/TO5-9mm/C-mounted |
| Infrared |
830nm |
30mW-300mW |
TO18-5.6mm |
| Infrared |
850nm |
5mW-2W |
TO18-5.6mm |
| Infrared |
905nm |
15W-75W |
TO18-5.6mm |
| Infrared |
940nm |
250mW |
TO18-5.6mm |
| Infrared |
980nm |
50mW-1W |
TO18-5.6mm/TO5-9mm |
| Infrared |
1064nm |
50mW |
TO18-5.6mm |
Reviews
There are no reviews yet.