SHARP GH04850B2G TO56 Packaged 488nm 55mW Laser Diode
488nm 55mW laser diode serves as the preferred core component for laser module integration and professional scenario applications, delivering consistent and stable light output support for high-precision requirements.
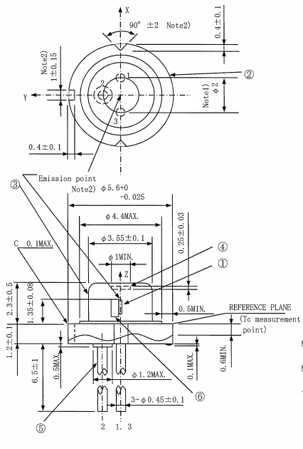
Standard Packaging: 5.6mm diameter TO-18 standard package, compatible with most laser module mounts and circuit board designs on the market, enabling convenient and efficient replacement, upgrade, and integration assembly;
Laser Module Customization: Ideal for high-power laser module development, compatible with various lenses (collimating, focusing) to meet needs such as long-distance positioning, high-brightness projection, and DIY high-performance optical devices;
Industrial Core Applications: Widely used in precision laser marking, PCB laser engraving, semiconductor wafer inspection, automated sorting systems, and UV curing auxiliary equipment, improving processing efficiency and precision;
Scientific & Technical Fields: Suitable for spectral analysis experiments, optical communication research, biomedical detection equipment, and other scenarios requiring high-power, stable 488nm light sources;
Commercial Equipment Integration: Applicable to high-end laser pointers, professional stage lighting, laser display modules, and other commercial products, enhancing product performance and competitiveness.
Core Specification:
| Wavelength | 488nm |
| Output Power | 55mW |
| Working Voltage | 6V |
| Package | TO18 5.6mm |
| Condition | Original package and brand new |
| Lifespan | > 10,000 hours |

BU-LASER has other Laser diodes from 375nm to 1064nm:
| Color | Wavelength | Power Range | Package |
| UV | 375nm | 500mW | TO5-9mm |
| UV | 380nm | 200mW | TO18-5.6mm |
| Violet | 395nm | 300mW | TO18-5.6mm |
| Violet | 405nm | 20mW-3W | TO18-5.6mm /TO5-9mm |
| Blue | 425nm | 1.5W | TO18-5.6mm |
| Blue | 435nm | 5W-7W | TO5-9mm |
| Blue | 450nm/455nm | 80mW -5.5W | TO18-5.6mm /TO5-9mm |
| Blue | 462nm/ 465nm | 1.4W- 2.8W | TO5-9mm |
| Cyan | 488nm | 55mW-300mW | TO18-5.6mm |
| Green | 515nm/520nm | 10mW-1.6W | TO18-3.8mm/TO18-5.6mm/TO5-9mm /Frame |
| Red | 635nm/638nm/642nm | 5mW-2.5W | TO18-3.8mm/TO18-5.6mm/TO5-9mm |
| Red | 650nm /658nm/660nm | 5mW-1W | TO18-3.3mm/TO18-3.8mm/TO18-5.6mm/C-mounted / Frame |
| Red | 670nm | 5mW | TO18-5.6mm |
| Infrared | 780nm/785nm | 5mW-200mW | TO18-5.6mm |
| Infrared | 808nm | 200mW-5W | TO18-5.6mm/TO5-9mm/C-mounted |
| Infrared | 830nm | 30mW-300mW | TO18-5.6mm |
| Infrared | 850nm | 5mW-2W | TO18-5.6mm |
| Infrared | 905nm | 15W-75W | TO18-5.6mm |
| Infrared | 940nm | 250mW | TO18-5.6mm |
| Infrared | 980nm | 50mW-1W | TO18-5.6mm/TO5-9mm |
| Infrared | 1064nm | 50mW | TO18-5.6mm |








Reviews
There are no reviews yet.