TO18 5.6mm Package 850nm 5mW Laser Diode Industrial Optical Module
The QSI QL85D6S is a compact, high-reliability 850nm laser diode, grown via MOCVD with an AlGaAs quantum well structure — making it an ideal light source for industrial optical modules and sensor applications.
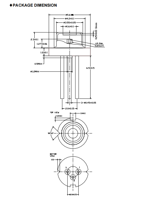
Operating at a typical 850nm wavelength (ranging 845–855nm), it delivers a steady 5mW continuous-wave (CW) optical output (with a 7mW maximum rating). Housed in a small TO-18 (5.6mm) package, it integrates a built-in photodiode for real-time laser performance monitoring, simplifying integration into precision sensor systems.
Engineered for efficiency, it features an 11mA typical threshold current, 17mA typical operating current (at 5mW output), and 1.8V typical operating voltage — paired with a 0.7mW/mA slope efficiency for optimized energy use. Its controlled beam divergence (8° parallel, 32° perpendicular typical) ensures focused, consistent light delivery, while it functions reliably across a -10 to +60°C operating temperature range (and -40 to +85°C during storage).
Whether powering industrial optical modules or precision sensors, this 850nm 5mW laser diode combines QSI’s quantum well engineering, built-in monitoring, and compact design to meet the demands of low-power, high-precision optoelectronic applications.
Core Specification:
| Wavelength | 850nm |
| Output Power | 5mW |
| Working Voltage | 1.8V |
| Package | TO18 5.6mm |
| Condition | Original package and brand new |
| Lifespan | > 10,000 hours |

BU-LASER has other Laser diodes from 375nm to 1064nm:
| Color | Wavelength | Power Range | Package |
| UV | 375nm | 500mW | TO5-9mm |
| UV | 380nm | 200mW | TO18-5.6mm |
| Violet | 395nm | 300mW | TO18-5.6mm |
| Violet | 405nm | 20mW-3W | TO18-5.6mm /TO5-9mm |
| Blue | 425nm | 1.5W | TO18-5.6mm |
| Blue | 435nm | 5W-7W | TO5-9mm |
| Blue | 450nm/455nm | 80mW -5.5W | TO18-5.6mm /TO5-9mm |
| Blue | 462nm/ 465nm | 1.4W- 2.8W | TO5-9mm |
| Cyan | 488nm | 55mW-300mW | TO18-5.6mm |
| Green | 515nm/520nm | 10mW-1.6W | TO18-3.8mm/TO18-5.6mm/TO5-9mm /Frame |
| Red | 635nm/638nm/642nm | 5mW-2.5W | TO18-3.8mm/TO18-5.6mm/TO5-9mm |
| Red | 650nm /658nm/660nm | 5mW-1W | TO18-3.3mm/TO18-3.8mm/TO18-5.6mm/C-mounted / Frame |
| Red | 670nm | 5mW | TO18-5.6mm |
| Infrared | 780nm/785nm | 5mW-200mW | TO18-5.6mm |
| Infrared | 808nm | 200mW-5W | TO18-5.6mm/TO5-9mm/C-mounted |
| Infrared | 830nm | 30mW-300mW | TO18-5.6mm |
| Infrared | 850nm | 5mW-2W | TO18-5.6mm |
| Infrared | 905nm | 15W-75W | TO18-5.6mm |
| Infrared | 940nm | 250mW | TO18-5.6mm |
| Infrared | 980nm | 50mW-1W | TO18-5.6mm/TO5-9mm |
| Infrared | 1064nm | 50mW | TO18-5.6mm |








Reviews
There are no reviews yet.