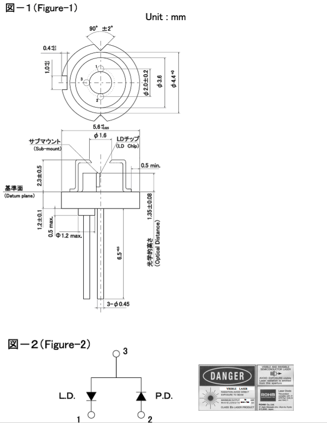
ROHM TO18-5.6mm Packaged 635nm 5mW Laser Diode With a Built-in P.D.
This ROHM RLD63NPC5-00B is a compact, TO18-5.6mm packaged red laser diode—featuring a built-in PIN photodiode (PD)—designed for applications like leveling, sensors, ranging, and barcode readers. It leverages an InGaAlP double-hetero structure to deliver reliable 5mW optical output at a 635nm dominant wavelength (range: 630–640nm), ideal for precise visible red emission.
Core Specifications (at 25°C Case Temperature):
- Electrical Performance: Operates with a typical 2.2V forward voltage (max 2.7V) and 33mA operating current (max 45mA) at 5mW output; the threshold current is typically 24mA (max 35mA). It also includes a built-in PD with a 20V reverse voltage rating.
- Optical Characteristics: Offers controlled beam divergence (typical 8° parallel, 32° perpendicular—full width at half maximum) and tight beam tolerance (±2° parallel, ±3° perpendicular), ensuring focused, consistent beam alignment. The emission point accuracy stays within ±100μm for precision use cases.
- Durability & Operation: Functions reliably in -10–40°C operating temperatures (storage range: -40–85°C). The module’s monitor current varies by type (0.11–0.23mA, across D/G ranks) to suit different application needs.
With its compact TO18 form factor, built-in PD for feedback, and stable performance, this ROHM laser diode balances precision, reliability, and ease of integration—perfect for industrial and consumer devices requiring low-power, accurate red laser output.
Core Specification:
| Wavelength | 635nm |
| Output Power | 5mW |
| Working Voltage | 2.2V |
| Package | TO18 5.6mm |
| Condition | Original package and brand new |
| Lifespan | > 10,000 hours |

BU-LASER has other Laser diodes from 375nm to 1064nm:
| Color | Wavelength | Power Range | Package |
| UV | 375nm | 500mW | TO5-9mm |
| UV | 380nm | 200mW | TO18-5.6mm |
| Violet | 395nm | 300mW | TO18-5.6mm |
| Violet | 405nm | 20mW-3W | TO18-5.6mm /TO5-9mm |
| Blue | 425nm | 1.5W | TO18-5.6mm |
| Blue | 435nm | 5W-7W | TO5-9mm |
| Blue | 450nm/455nm | 80mW -5.5W | TO18-5.6mm /TO5-9mm |
| Blue | 462nm/ 465nm | 1.4W- 2.8W | TO5-9mm |
| Cyan | 488nm | 55mW-300mW | TO18-5.6mm |
| Green | 515nm/520nm | 10mW-1.6W | TO18-3.8mm/TO18-5.6mm/TO5-9mm /Frame |
| Red | 635nm/638nm/642nm | 5mW-2.5W | TO18-3.8mm/TO18-5.6mm/TO5-9mm |
| Red | 650nm /658nm/660nm | 5mW-1W | TO18-3.3mm/TO18-3.8mm/TO18-5.6mm/C-mounted / Frame |
| Red | 670nm | 5mW | TO18-5.6mm |
| Infrared | 780nm/785nm | 5mW-200mW | TO18-5.6mm |
| Infrared | 808nm | 200mW-5W | TO18-5.6mm/TO5-9mm/C-mounted |
| Infrared | 830nm | 30mW-300mW | TO18-5.6mm |
| Infrared | 850nm | 5mW-2W | TO18-5.6mm |
| Infrared | 905nm | 15W-75W | TO18-5.6mm |
| Infrared | 940nm | 250mW | TO18-5.6mm |
| Infrared | 980nm | 50mW-1W | TO18-5.6mm/TO5-9mm |
| Infrared | 1064nm | 50mW | TO18-5.6mm |










Reviews
There are no reviews yet.