850nm 40mW Laser Diode with Built-in Photo Diode TO18 5.6mm Package
The QSI 850nm 40mW laser diode, grown via MOCVD with an AlGaAs quantum well structure — engineered as a robust light source for industrial optical modules and sensor applications.
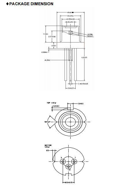
Operating at a typical 855nm wavelength (ranging 845–865nm), it delivers a steady 40mW continuous-wave (CW) optical output (with a 60mW maximum rating). Housed in a compact TO-18 (5.6mm) package, it integrates a built-in photodiode for real-time laser performance monitoring, simplifying integration into precision industrial setups.
Engineered for efficiency and consistency, it features a 30mA typical threshold current, 95mA typical operating current (at 40mW output), and 2.0V typical operating voltage — paired with a 1.1mW/mA slope efficiency to optimize energy conversion. Its controlled beam divergence (9° parallel, 18° perpendicular typical) ensures focused, stable light delivery, while it functions reliably across a -10 to +60°C operating temperature range (and -40 to +85°C during storage).
Whether powering industrial optical modules or high-sensitivity sensors, this 850nm 40mW laser diode combines QSI’s advanced quantum well engineering, built-in monitoring, and compact design to meet the demands of mid-power, high-precision optoelectronic applications.
Core Specification:
| Wavelength | 850nm |
| Output Power | 40mW |
| Working Voltage | 2V |
| Package | TO18 5.6mm |
| Condition | Original package and brand new |
| Lifespan | > 10,000 hours |


BU-LASER has other Laser diodes from 375nm to 1064nm:
| Color | Wavelength | Power Range | Package |
| UV | 375nm | 500mW | TO5-9mm |
| UV | 380nm | 200mW | TO18-5.6mm |
| Violet | 395nm | 300mW | TO18-5.6mm |
| Violet | 405nm | 20mW-3W | TO18-5.6mm /TO5-9mm |
| Blue | 425nm | 1.5W | TO18-5.6mm |
| Blue | 435nm | 5W-7W | TO5-9mm |
| Blue | 450nm/455nm | 80mW -5.5W | TO18-5.6mm /TO5-9mm |
| Blue | 462nm/ 465nm | 1.4W- 2.8W | TO5-9mm |
| Cyan | 488nm | 55mW-300mW | TO18-5.6mm |
| Green | 515nm/520nm | 10mW-1.6W | TO18-3.8mm/TO18-5.6mm/TO5-9mm /Frame |
| Red | 635nm/638nm/642nm | 5mW-2.5W | TO18-3.8mm/TO18-5.6mm/TO5-9mm |
| Red | 650nm /658nm/660nm | 5mW-1W | TO18-3.3mm/TO18-3.8mm/TO18-5.6mm/C-mounted / Frame |
| Red | 670nm | 5mW | TO18-5.6mm |
| Infrared | 780nm/785nm | 5mW-200mW | TO18-5.6mm |
| Infrared | 808nm | 200mW-5W | TO18-5.6mm/TO5-9mm/C-mounted |
| Infrared | 830nm | 30mW-300mW | TO18-5.6mm |
| Infrared | 850nm | 5mW-2W | TO18-5.6mm |
| Infrared | 905nm | 15W-75W | TO18-5.6mm |
| Infrared | 940nm | 250mW | TO18-5.6mm |
| Infrared | 980nm | 50mW-1W | TO18-5.6mm/TO5-9mm |
| Infrared | 1064nm | 50mW | TO18-5.6mm |








Reviews
There are no reviews yet.